010 - 88125588

北京航天常兴科技发展股份有限公司
地址:北京市大兴区金星路 30 号
邮编:102600
邮箱:htcx@htcxcloud.com
电话:010-88125588
010-88121515
010-69297973
传真:010-88125588 转 833
电气安全服务专线:400-968-0119
消防设备电源监控系统
第一节 系统简介
消防设备电源监控系统用于一般工业与民用建筑中AC220V/380V配电线路中安装的消防设备电源的在线监控,当消防设备电源发生过压、欠压、过流、漏电、缺相等故障时监控系统能立即发出报警信号,可及早发现问题从而避免各种事故的发生。
消防设备电源监控系统由消防设备电源电压/电流信号传感器、消防设备电源监控器组成。信号传感器用于各种电参数的检测,监控器用于对监测模块的集中监控。二者通过RS485总线相连后构成分散式监测集中式报警的消防设备电源监控系统,如下图所示:
.png)
消防电源监控系统组成
消防设备电源电压/电流信号传感器采用剩余电流互感器(ZT)监测配电线路的漏电电流,采用电流互感器(CT)监测线路中的过线负载电流,同时也监测电路的三项电压值。传感器检测的信息经总线传输至监控器,监控器实时接收各传感器发送的各种信息,并在监控器屏幕上实时显示,监控器具有声光报警、数字显示、数据存储、查询、打印输出、报警信号输出等功能。
消防设备电源电压/电流信号传感器安装于配电盘或配电柜内,监控器安装于值班室。
第二节 消防设备电源监控器
●监控器规格型号表示方法
.png)
监控器规格型号表示方法
●监控器产品一览表
.png)
●监控器功能
1 报警功能:监控器安装在值班室,以总线方式与多台检测模块相连,接收各检测模块发送的漏电、过流、过压、欠压、缺相等报警信息,报警时发出声光报警信号,报警时间<30s。
2 故障报警功能:监控器在接收监测模块发送的报警信息同时,也接收监测模块自身的故障信息,当:监测模块运行不正常时显示:
监测模块与监控器之间通讯不正常
监控器的电源电压>242V及<175V(过压与欠压)
电池电压<21.6V(电池故障)
监控器发出故障报警信号,报警时间<100s
3 报警信息记录、存储、查询功能:监控器能够记录报警的发生时间、类型、参数、并具有查询功能。存储信息容量:<3000条。
4 打印功能(选配)
5 总线通讯功能。
1 监测电压:过压(>110%电压额定值) 欠压(<85%电压额定值)
2 监测电流:过流(>160%电流额定值)
3 监测剩余电流:范围5mA-1.0A,检测精度±3%FS,报警值:(80%-100%)*报警设定值
4 电源:AC220V 功耗:100W(标准容量)
5 备用电池:DC24V铅酸电池,容量10AH-65AH
6 绝缘能力:电源端子及其它接线端子与外壳金属部分施加AC2000V 50Hz,一分钟内无异常
7 绝缘电阻:电源端子与外壳金属部分之间绝缘电阻大于50MΩ,其它端子与外壳金属部分之间的绝缘电阻大于20MΩ
8 使用环境:室内安装温度-10℃-40℃,相对湿度<90%
监控器与检测模块通讯采用RS-485总线,具有多个下行通讯接口及一个或多个上行接口,用于将所有的监测模块通讯数据整理汇总后,实时送至监控器。另一方面接收监控器下达的命令,完成对各监测模块的参数整定。下行通讯口:2个RS485,上行通讯口:1个RS485、1个232。每个下行口最大可带72台探测器,与上级监控设备采用A类屏蔽双绞线连接。监测模块把信息以efire协议传给监控器,传送距离<1.2Km
第三节 消防电源监测模块
●监测模块分类
1 交流电压、交流电流监测模块:用于检测配电线路的漏电电流、交流电压、交流电流等
2 交流和直流电压、电流监测模块:用于检测配电线路中的交流电压、交流电流、直流电源、直流电流等
●电压/电流信号传感器(监测模块)规格型号表示方法
.png)
●电压/电流信号传感器(监测模块)产品一览表
.png)
●电压/电流信号传感器(监测模块)功能
1 监测报警功能:当被监测的设备电源发生过压、欠压、过流、漏电、缺相等故障时信号传感器立即发出声光报警信号,报警时间:<60s
2 故障报警功能:当监控模块发生以下情况时,监控模块发出故障报警信号:
3 通讯功能:监测参数通过RS485总线efire协议传给消防设备电源监控器
1 监测电压:过压(>110%电压额定值) 欠压(<85%电压额定值)
2 监测电流:过流(>160%电流额定值)
3 监测剩余电流:范围:5mA-1A、检测精度:±3%FS、报警值:(80%-100%)*报警设定值
4 电源:DC24V,电源来自监控器或专用电源箱。功耗:<1W
5 绝缘电阻:电源端子与外壳之间绝缘电阻大于50MΩ,其它端子与外壳之间绝缘电阻大于20MΩ
6 绝缘能力:电源端子与外壳之间施加AC2000V、50Hz电压,其它端子与外壳之间施加AC500V、50Hz电压,一分钟内无异常
7 使用环境:室内安装,温度-10℃-40℃,相对湿度90%以下
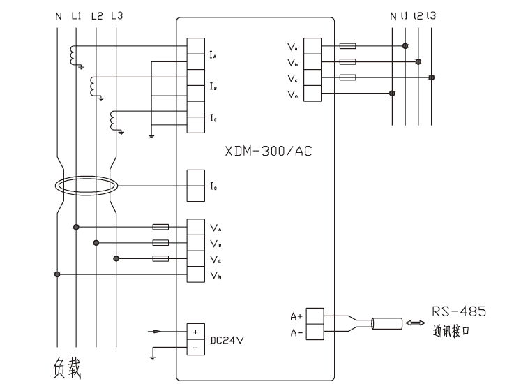
.png)
XDM-300/AC监测模块原理接线图
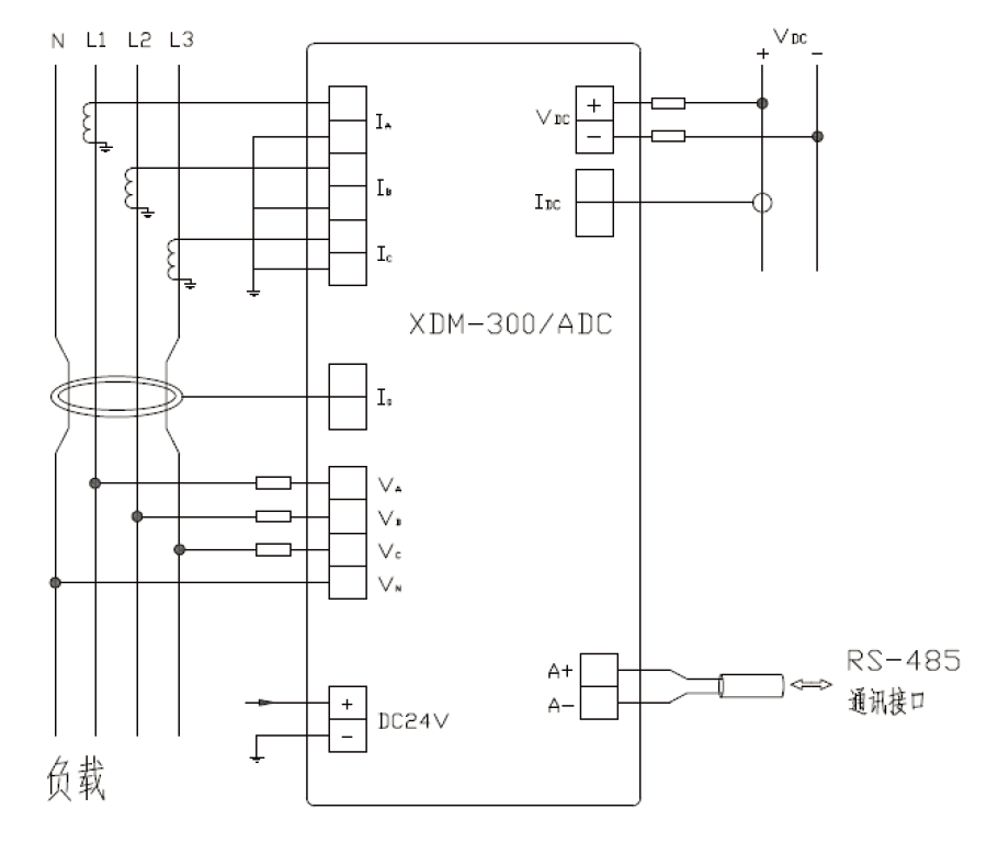
.png)
XDM-300/ADC监测模块原理接线图
第四节 系统安装及使用方法
●电压/电流信号传感器(监测模块)的安装
监测模块安装于消防配电盘或配电柜内监测配电线路的工作状态
安装监测模块时,根据现场情况可以选用螺钉固定或导轨安装。接线如下图所示:
.png)
配电盘/柜接线图示意
图中:☆ 第一条被测电缆的监测内容:
1 L1、L2、L3三相电压:过压、欠压、缺相、错相等
2 L1、L2、L3三相电流:过流
☆ 第二条被监测电缆的监测内容:
1 I1、I2、I3三相电压:过压、欠压、缺相、错相等
使用附件中的线夹采取电压信号,把线夹分别夹住L1、L2、L3相线及N线
电流信号取自配电盘、柜中电流互感器的二次侧,即电流互感器次级线直接与监测模块接线端子相连接,配电盘、柜中电流互感器的变比有200:5/500:5/1000:5等,设备出厂时根据实际变比进行设定
使用附件中的线夹采取电压信号,把线夹分别夹住被测直流线的+、- 级
使用霍尔传感器,把直流电线的一根直接穿过霍尔传感器
使用剩余电流互感器采取漏电信号。剩余电流互感器有对插式互感器和贯通式互感器两种,对插式互感器性能好且安装维护方便

对插式互感器 贯通式互感器
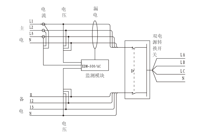
按形式及配置不同选择监控器,监控器安装于电工值班室或消防中控室,监测模块与监控器以总线方式相连接,总线应穿管安装
XDM-300/AC监测模块与XDJ-900监控器连接使用来构成消防设备电源监控系统
监测模块分别安装于配电盘、箱处,监控器可与480只监测模块相连接,同时监测480路消防配电线路,监控系统的连接如下图所示:
.png)
消防电源监控系统组成
第四节 消防设备电源监控系统的设计应用
●监测模块的适用范围
☆消防负荷电源
建筑物内为各类消防设备供电的交流或直流电源,包括主电源和备用电源
☆正常负荷电源
重要用电负荷、一级负荷、二级负荷
●通常消防负荷及监测模块具体设置场所和监测内容如下图所示:
.png)



微信
抖音